| Sign In | Join Free | My chinalane.org |
|
Brand Name : Kacise
Model Number : KSJB5
Certification : certificate of explosion-proof, CE
Place of Origin : China (Mainland)
MOQ : 1pcs
Payment Terms : T/T, Western Union, MoneyGram
Supply Ability : 1000 Pieces per Week
Delivery Time : 5-8 working days
Packaging Details : each unit has individual box and all boxes are packed in standard packages or customers requests available
Scope : ±50g
resolution ratio : <5µg
scale factor K1 : 1.1~1.3 mA/g
bandwidth : >300 Hz
Operating temperature range : -55~96℃
The KSJB5 series quartz flexible accelerometer is a medium precision accelerometer with a unique structural size (short) design. The product has excellent long-term stability, repeatability, dynamic response performance, good vibration shock resistance and high reliability, which can be used for static and dynamic testing, and is also a standard vibration sensor and inclination sensor.
The product adopts unique structural design and special circuit, the output current of the product and the force or acceleration are linear, the user can choose the appropriate sampling resistance by calculation, to achieve high precision output. The built-in temperature sensor can be used to compensate the offset value and scale factor to reduce the impact of ambient temperature according to user needs.
Application fields: bridge, dam, oil well, coal mine inclination test, high-speed railway control, ship stability control.
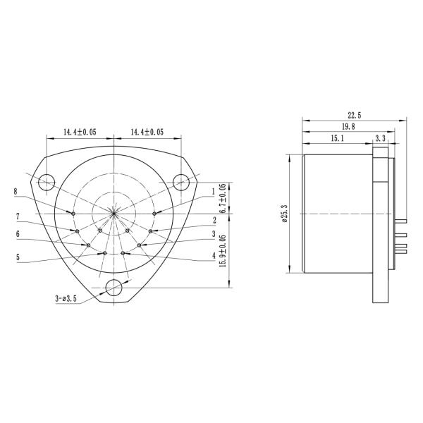
1. Outline size and pin definition of JB5-A
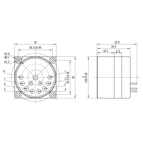
2. Outline size and pin definition of JB5-B
3. Outline size and pin definition of JB5-C
Pin definition:
1, Signal output
2, air
3, power -15V
4, power +15V
5, power and signal ground
6, 7, 8, empty
9, -9V or pt1000
10, +9V or pt1000
technical parameters:
| Number | Parameters | KSJB5-01 | KSJB5-02 | KSJB5-03 |
| 1 | Scope | ±50g | ±50g | ±50g |
| 2 | resolution ratio | <5µg | <5µg | <5µg |
| 3 | deviation value K0/K1 | <5mg | <7mg | <10mg |
| 4 | scale factor K1 | 1.1~1.3 mA/g | 1.1~1.3 mA/g | 1.1~1.3 mA/g |
| 5 | Second order nonlinear coefficient K2 | ≤±20μg /g2 | ≤±20μg /g2 | ≤±20μg /g2 |
| 6 | deviation value synthesis repeatability σK0 (1σ,one month) | <30µg | <50µg | <80µg |
| 7 | Scale factor integrated repeatability σK1/K1 (1σ,one month) | <50 ppm | <80 ppm | <100 ppm |
| 8 | Comprehensive repeatability of nonlinear coefficients K2/K1(1σ,one month) | ≤±20 μg /g2 | ≤±20 μg /g2 | ≤±20 μg /g2 |
| 9 | Comprehensive repeatability of nonlinear coefficients K2/K1(1σ,one month) | <20µg/℃ | <30µg/℃ | <40µg/℃ |
| 10 | deviation value Temperature coefficient(The mean value of the whole temperature zone) | <40ppm | <50ppm | <80ppm |
| 11 | Noise(The sampling resistance is 840Ω) | ≤5mv | ≤5mv | ≤5mv |
| 12 | bandwidth | >300 Hz | >300 Hz | >300 Hz |
| 13 | Vibration rectification error | <30µg/g2rms (50-500Hz) | <30µg/g2rms (50-500Hz) | <30µg/g2rms (50-500Hz) |
| 14 | Random vibration | 20g@20-2000Hz | 20g@20-2000Hz | 20g@20-2000Hz |
| 15 | strike | 250g 4.5ms | 250g 4.5ms | 250g 4.5ms |
| 16 | installation error | <1500µrad | <1500µrad | <1500µrad |
| 17 | Operating temperature range | -55~96℃ | -55~96℃ | -55~96℃ |
| 18 | Power supply | ±13 ~±18V | ±13 ~±18V | ±13 ~±18V |
| 19 | Current consumption | <20 mA | <20 mA | <20 mA |
| 20 | Temperature sensor | User customizable | User customizable | User customizable |
| 21 | weight | <55g | <55g | <55g |
| 22 | Mounting diameter | Ф25mm | Ф25.3mm | Ф25mm |
| 23 | Shell materials | 300 series Stainless steel | 300 series Stainless steel | 300 series Stainless steel |
Note:
1. Scale factor is adjusted according to user requirements;
2.Temperature sensor: divided into AD590, pt1000,18B20,
3. Test cycle: divided into 1 month, 3 months, 6 months, 12 months, according to user requirements for testing;
4. Install according to user requirements; The dimensions can be slightly adjusted according to user requirements, and other test requirements can be carried out according to customer requirements.

Xi'an Kacise is certified by ISO 9001-2008, GJB 9001B-2009, CE, intrinsic safety explosion-proof and isolated safety explosion-proof, etc. which assure our products are conform to the international standards.
We have been specializing in manufacturing pressure, level and flow measuring instruments and related products for 10 years. We have experienced technical and management personnel, through the efforts of our entire staff, we have become a professional measuring instrument manufacturer and solution provider.
Currently, Kacise sensor is already exported to America, Spain, Australia, Chile and 20 other countries and regions, and received many favorable feedbacks. Our overseas distributers are also increasing.
We supply high quality Turbine Gas Flow Meter, hope we can coopperate in near future by providing you suitable products, good services and reasonable prices.
|
|
Quartz Flexible Accelerometer For Oil Drilling And Geological Exploration Angle Measurement Images |